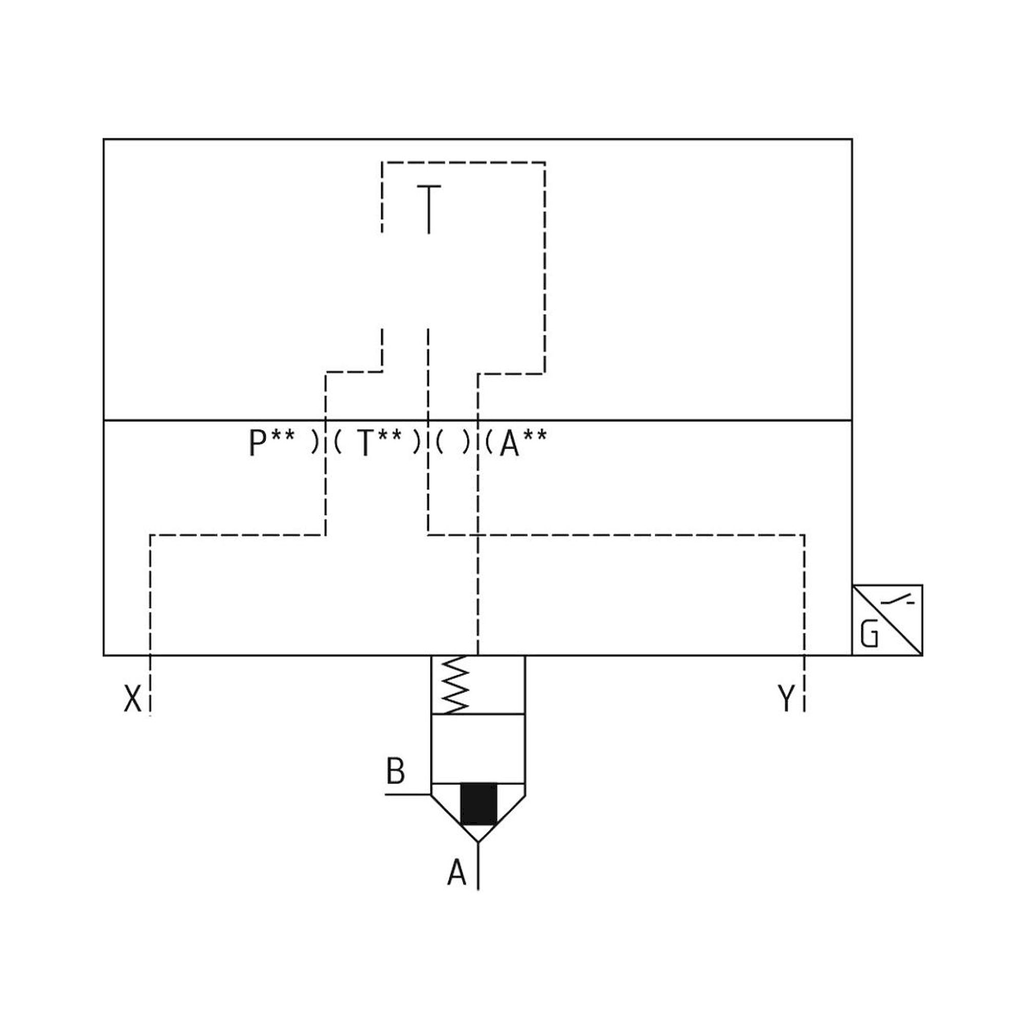
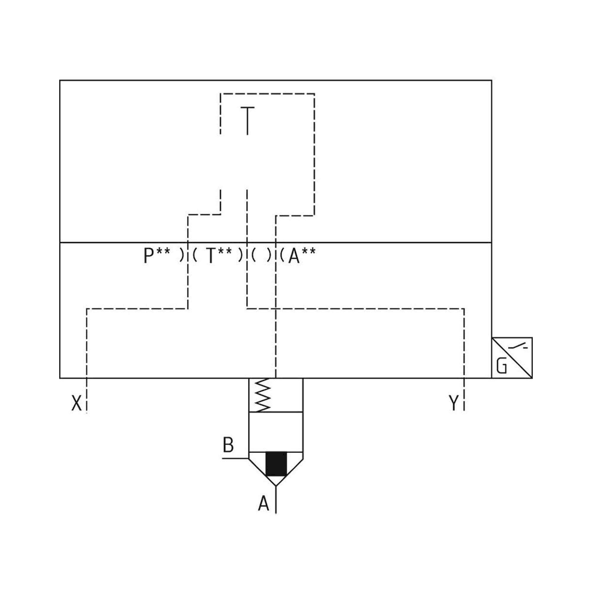
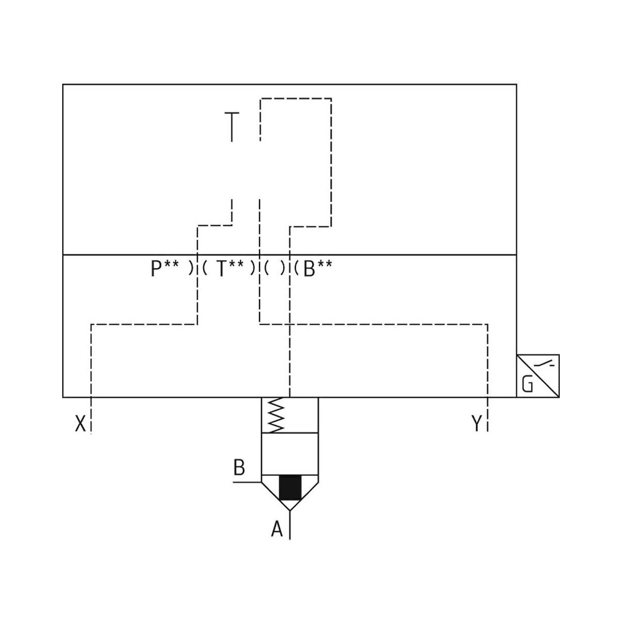
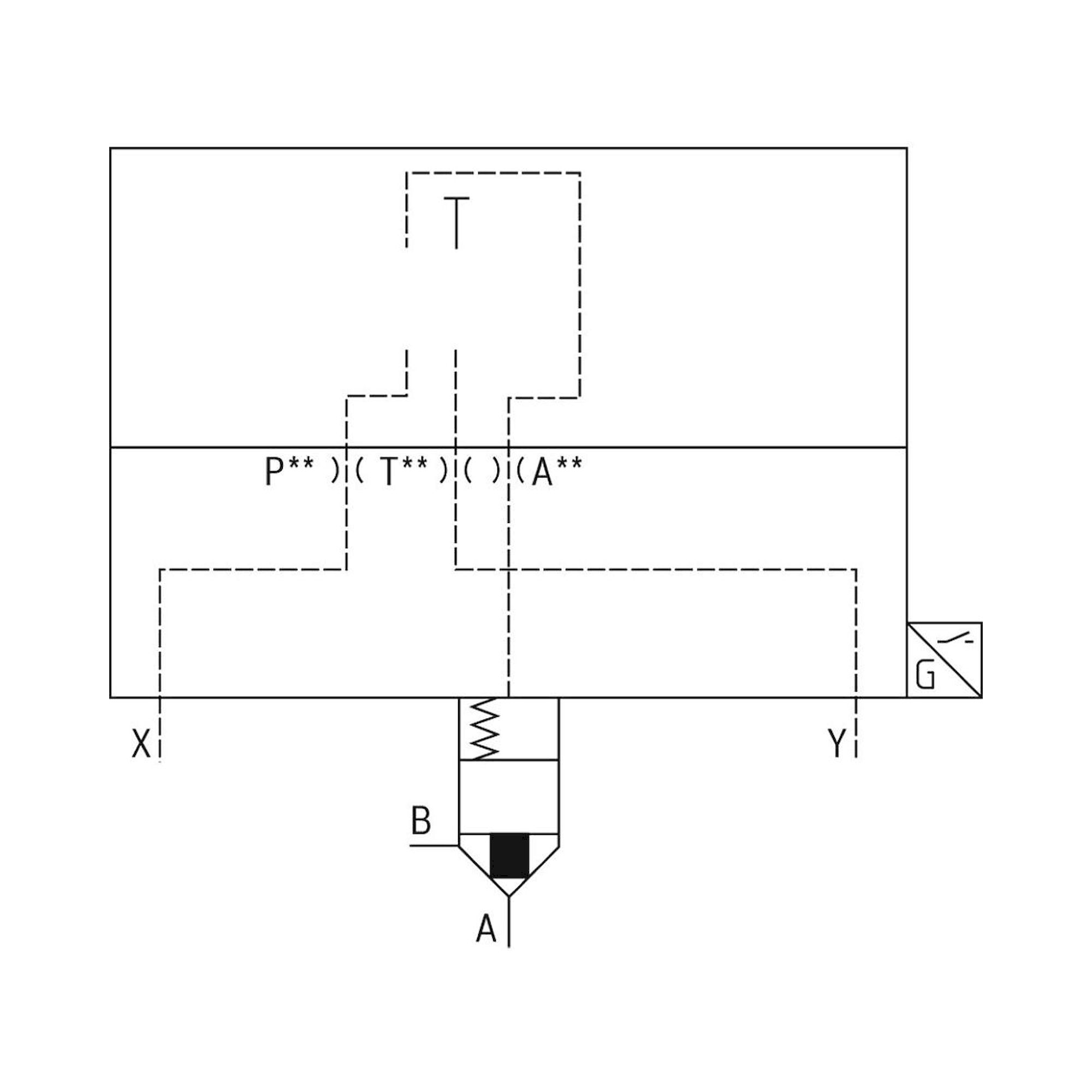
Logikelemente, Wegefunktion mit Positionsüberwachung
Einbauventile ISO 7368
Discover Premium Logic Elements with Position Monitoring
Explore our comprehensive selection of logic elements designed for optimal hydraulic performance at ESD Equipment. Our range of logic elements, featuring valve functions with position monitoring, adheres to the ISO 7368 standard. These high-quality components are manufactured by Bosch Rexroth, a trusted name in the industry, ensuring reliability and efficiency for your hydraulic systems.
Our logic elements are engineered to enhance the operational capabilities of various hydraulic applications. By integrating position monitoring, these components provide real-time feedback, allowing for precise control and increased safety in complex systems. Whether you're dealing with industrial machinery, mobile equipment, or automation systems, our logic elements are tailored to meet the most demanding requirements.
At ESD Equipment, we understand the critical role that accurate and dependable hydraulic components play in your operations. Our ISO 7368 compliant logic elements not only guarantee superior performance but also contribute to the longevity and sustainability of your hydraulic systems. The combination of Bosch Rexroth quality and innovative design makes these elements a vital part of any advanced hydraulic solution.
Investing in logic elements with position monitoring means investing in the future of your hydraulic systems. These components are essential for those looking to achieve seamless integration and automation within their processes. With advanced technology and robust construction, our logic elements provide unmatched performance, ensuring your systems remain at the forefront of efficiency and reliability.
Optimize your hydraulic systems with our premium logic elements. Browse our selection today to find the perfect fit for your needs. With ESD Equipment, you can trust in quality, innovation, and customer satisfaction as we help you build and maintain state-of-the-art hydraulic systems. Experience the difference that Bosch Rexroth's logic elements with position monitoring can make in your operations.
- Bosch Rexroth R900938107. Logik-Deckel LFA40E-7X/CA40DQMG24F€2,249.84Excl. 19% VAT , excl. Shipping Cost
- Bosch Rexroth R901446238. Logik-Einbauventil LC2A050B40F-1X/YQ7G24F€2,176.67Excl. 19% VAT , excl. Shipping Cost
- Bosch Rexroth R901442111. Logik-Einbauventil LC2A050B40F-1X/XQ7G24F€2,176.67Excl. 19% VAT , excl. Shipping Cost
- Bosch Rexroth R901363579. Logik-Einbauventil LC2A050B40F-1X/Z2Q7G24F€2,176.67Excl. 19% VAT , excl. Shipping Cost
- Bosch Rexroth R901409446. Logik-Einbauventil LC2A050B40F-1X/Z1Q7G24F€2,176.67Excl. 19% VAT , excl. Shipping Cost
- Bosch Rexroth R901374518. Logik-Einbauventil LC2A040B40F-1X/XQ7G24F€1,776.29Excl. 19% VAT , excl. Shipping Cost
- Bosch Rexroth R901406921. Logik-Einbauventil LC2A040B40F-1X/Z1Q7G24F€1,776.29Excl. 19% VAT , excl. Shipping Cost
- Bosch Rexroth R901374530. Logik-Einbauventil LC2A040B40F-1X/YQ7G24F€1,776.29Excl. 19% VAT , excl. Shipping Cost
- Bosch Rexroth R901359157. Logik-Einbauventil LC2A040B40F-1X/Z2Q7G24F€1,776.29Excl. 19% VAT , excl. Shipping Cost
- Bosch Rexroth R901329019. Logik-Einbauventil LC2A050A40D-1X/Z2F€1,731.48Excl. 19% VAT , excl. Shipping Cost
- Bosch Rexroth R901047420. Logik-Deckel LFA25EG-7X/CB20DQMG24€1,707.55Excl. 19% VAT , excl. Shipping Cost
- Bosch Rexroth R900740490. Logik-Deckel LFA25EG-7X/CA20DQMG24€1,707.55Excl. 19% VAT , excl. Shipping Cost
- Bosch Rexroth R900966157. Logik-Deckel LFA32EWA-7X/CB20DQMG24€1,653.08Excl. 19% VAT , excl. Shipping Cost
- Bosch Rexroth R900912706. Logik-Deckel LFA32EWA-7X/CA40DQMG24€1,653.08Excl. 19% VAT , excl. Shipping Cost
- Bosch Rexroth R901119788. Logik-Deckel LFA32EWB-7X/CB20DQMG24€1,653.08Excl. 19% VAT , excl. Shipping Cost
- Bosch Rexroth R901058891. Logik-Deckel LFA32EWA-7X/CB40DQMG24€1,653.08Excl. 19% VAT , excl. Shipping Cost
- Bosch Rexroth R900912705. Logik-Deckel LFA32EWA-7X/CA20DQMG24€1,653.08Excl. 19% VAT , excl. Shipping Cost
- Bosch Rexroth R900947051. Logik-Deckel LFA32EWB-7X/CA20DQMG24€1,653.08Excl. 19% VAT , excl. Shipping Cost
- Bosch Rexroth R901166822. Logik-Deckel LFA16EG-7X/CA40DQMG24€1,541.40Excl. 19% VAT , excl. Shipping Cost
- Bosch Rexroth R900912702. Logik-Deckel LFA32E-7X/CA20DQMG24F€1,532.99Excl. 19% VAT , excl. Shipping Cost
- Bosch Rexroth R900950159. Logik-Deckel LFA32EM-7X/CA40DQMG24€1,532.99Excl. 19% VAT , excl. Shipping Cost
- Bosch Rexroth R901270144. Logik-Deckel LFA32E-7X/CA40DQMG24FV€1,532.99Excl. 19% VAT , excl. Shipping Cost
- Bosch Rexroth R901496417. Logik-Deckel LFA32EM-7X/CD20DQMG24€1,532.99Excl. 19% VAT , excl. Shipping Cost
- Bosch Rexroth R901231520. Logik-Deckel LFA32E-7X/CA20DQMG24FV€1,532.99Excl. 19% VAT , excl. Shipping Cost
- Bosch Rexroth R900959750. Logik-Deckel LFA32EM-7X/CD40DQMG24€1,532.99Excl. 19% VAT , excl. Shipping Cost
- Bosch Rexroth R900912703. Logik-Deckel LFA32E-7X/CA40DQMG24F€1,532.99Excl. 19% VAT , excl. Shipping Cost
- Bosch Rexroth R901147551. Logik-Deckel LFA32EM-7X/CA20DQMG24€1,532.99Excl. 19% VAT , excl. Shipping Cost
- Bosch Rexroth R901437442. Logik-Einbauventil LC2A032B40F-1X/XQ7G24F€1,509.80Excl. 19% VAT , excl. Shipping Cost
- Bosch Rexroth R901359156. Logik-Einbauventil LC2A032B40F-1X/Z2Q7G24F€1,509.80Excl. 19% VAT , excl. Shipping Cost
- Bosch Rexroth R901427358. Logik-Einbauventil LC2A032B40F-1X/YQ7G24F€1,509.80Excl. 19% VAT , excl. Shipping Cost





























