Hakko T33 Series
Hakko Löt- und Entlötspitzen
Die Hakko T33-Serie umfasst Lötspitzen für die Hakko FX-888D und FX-8801 Lötstationen mit einem Arbeitstemperaturbereich von 200-450 °C und einer Reaktionszeit unter 20 Sekunden auf Betriebstemperatur. Die Spitzen bestehen aus einem kupferbasiertem Kern mit Eisenbeschichtung und Lotabweisungszone, die eine Standzeit von mehreren Hundert Betriebsstunden ermöglicht - geprüft nach IEC 61010-1 für den professionellen Einsatz in der Elektronikfertigung.
Als autorisierter Hakko-Distributor führen wir 21 Artikel der T33-Serie ab Lager: Meisselspitzen, Bleistiftspitzen, Kegelspitzen, Hohlkegelspitzen sowie Sonderformen für SMD-Nacharbeit und Through-Hole-Bestückung. Alle Spitzen sind kompatibel mit dem EPA-Erdungskonzept nach DIN EN 61340-5-1 und tragen zur Einhaltung der IPC-A-610-Anforderungen an ESD-sichere Arbeitsplätze bei.
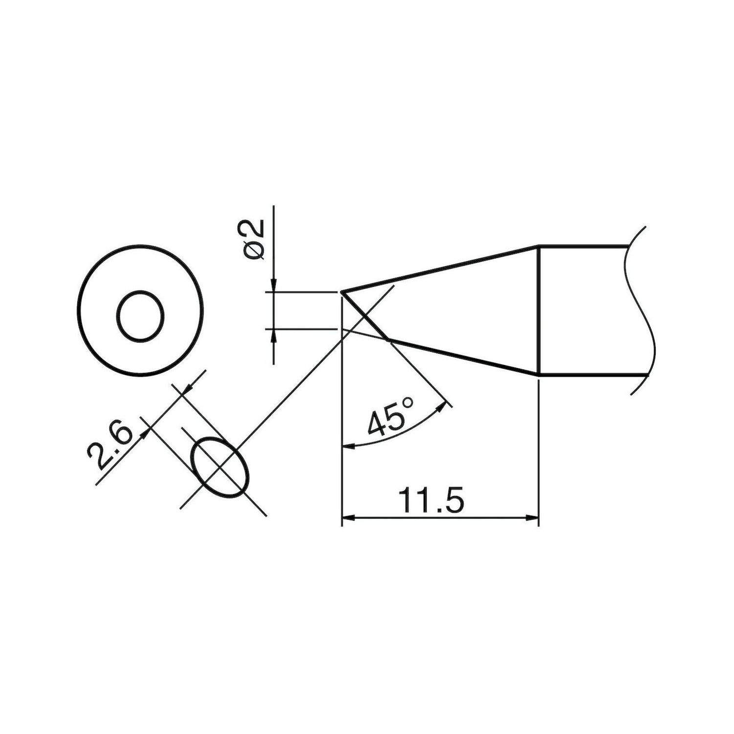
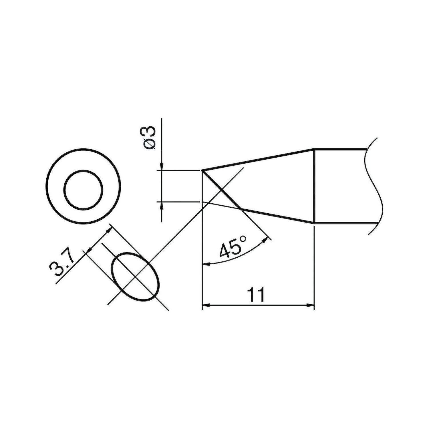
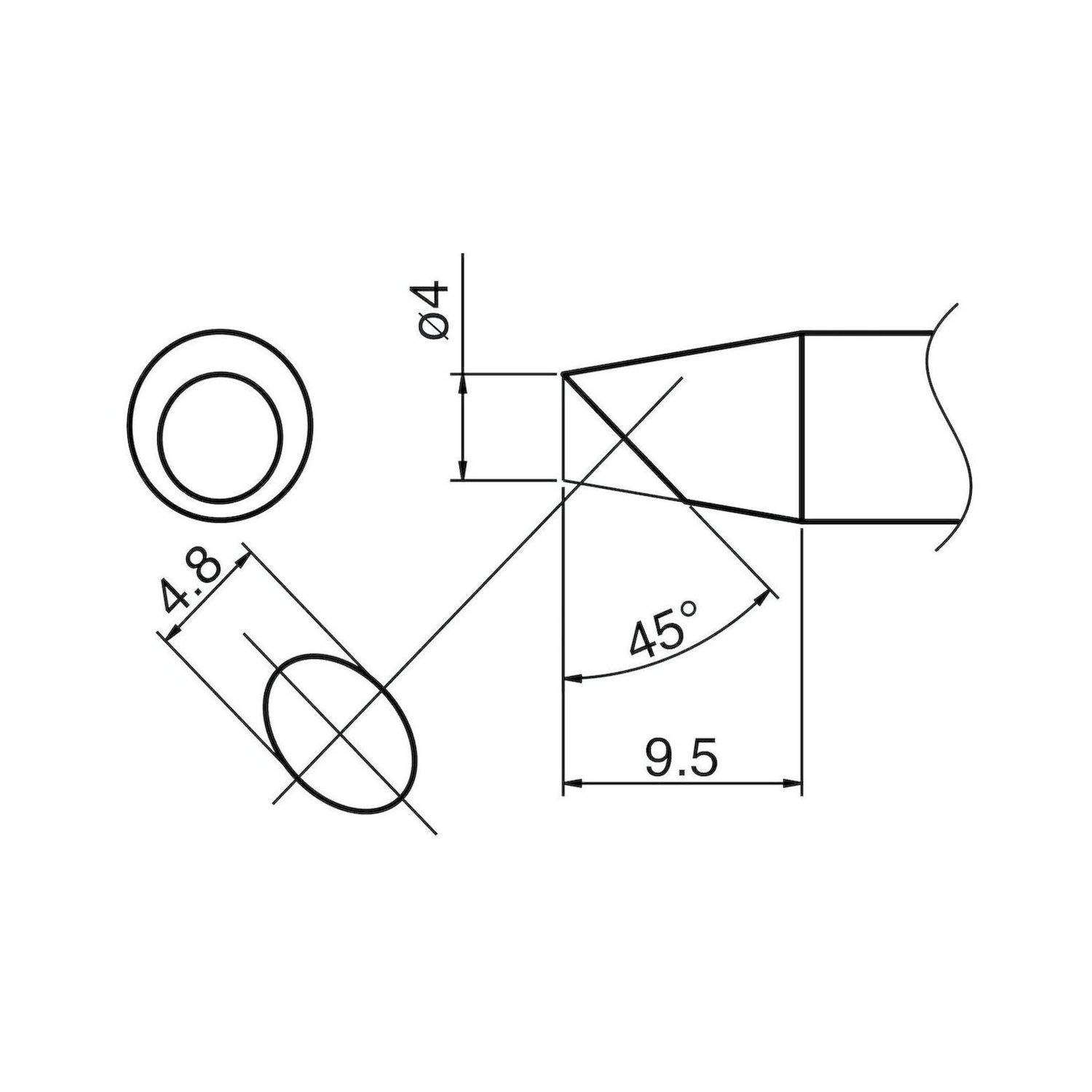
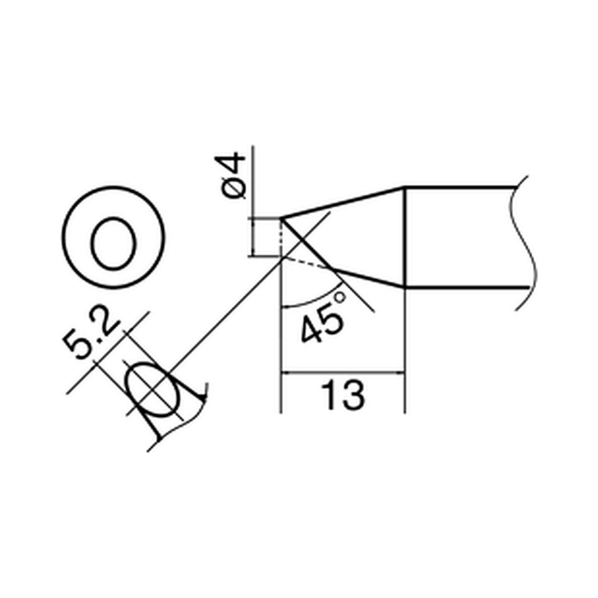
Hakko T33 Spitzentypen - Produktübersicht
| Spitzentyp | Geometrie | Typische Anwendung | Besonderheit |
|---|---|---|---|
| T33-B | Meissels, abgeschrägt | Durchsteckmontage, grosse Pads | Hohe Wärmeübertragung |
| T33-BC | Meissels, schräg geschnitten | SMD-Nacharbeit, IC-Pins | Präziser Wärmeeintrag |
| T33-D | Bleistift, konisch | Feinlöten, enge Pads, 0402-Bauteile | Spitze Geometrie für hohe Präzision |
| T33-I | Bleistift, gerade | Allgemeine Lötarbeiten, Through-Hole | Vielseitig, langer Schaft |
| T33-K | Messer, schräg | Drag-Löten, QFP, SOIC | Ideal für mehrreihige IC-Pins |
| T33-C | Hohlkegel | Entlöten, Draht-Umwicklungen | Konzentrierter Wärmepunkt |
| T33-J | Abgeschrägt, breit | Masselöten, Kabelverbindungen | Grosse Kontaktfläche |
| T33-BL | Meissels, lang | Schwer zugängliche Lötstellen | Verlängerter Schaft, ca. 10 mm länger als T33-B |
Typische Einsatzbereiche: Elektronikfertigung und SMT-Bestückung (IPC-A-610, IEC 61010-1), Halbleiterfertigung und Wafer-Level-Packaging (SEMI S1/S2), Medizintechnikproduktion mit rückverfolgbaren Werkzeugen (ISO 13485), Automotive-Elektronik und Steuergerätefertigung (IATF 16949, VDA 6.3), Luft- und Raumfahrtelektronik und Kabelbaugruppen (AS9100), Reparatur und Nacharbeit in ESD-geschützten Bereichen (DIN EN 61340-5-1)


















